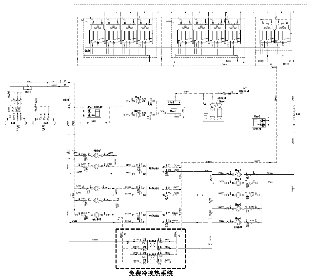
什么是冷却塔免费供冷?空调免费冷系统如何设计选择?一次讲清楚
2024-05-20 13:28:56
什么是冷却塔免费冷系统
冷却塔免费供冷就是在常规水冷空调系统中通过增加旁通管路、板式换热器等设备,在室外湿球温度低于某个值以下时,关闭制冷主机,利用流经冷却塔的冷却水直接或通过板式换热器间接向空调末端供冷,承担建筑所需的冷负荷。
冷却塔免费供冷能够利用自然冷源,满足冬季某些建筑的供冷需求,减少冷水机组运行时间,从而达到的节能、节费的运行效果。但是冬季空调供冷应优先采用室外新风消除室内余热,这是利用自然冷源的最直接的方式。
由于天然冷源需要另外设置,会略微增加投资,因此需进行经济技术比较分析后再决定是否采用免费冷。
过渡季节室外干湿球温度低于室内空调设计温度,一般商业项目或大型公共建筑会在过渡季直接利用新风承担建筑内区的部分冷负荷,剩余冷负荷考虑利用冷却塔免费供冷(此时冷水机组不工作,利用冷却塔的冷却水提供冷源的供冷方式)。
冷却塔免费供冷系统适用于冬季或者过渡季需要制冷的场所,一般为商业综合体、大型展览馆、博物馆等公共建筑的内区或常年有冷负荷需求的区域。
需要说明的是,一个项目是否需要设置冷却塔免费供冷系统,需根据该项目具体情况分析后确定。当商业综合体或者其它公共建筑内区冬季及过渡季冷负荷较小,或内区全部采用全空气系统时,可以在过渡季全新风运行,承担全部室内冷负荷。此时则完全没有必要再设置一套冬季冷却塔免费冷系统的,盲目设置免费冷系统会造成投资增加和新的能源浪费。
冷却塔免费供冷系统也适用于某些使用冷水式恒温恒湿机组的数据中心、采用定新风比净化空调系统的医疗场所、采用四管制的高档酒店空调系统、工业厂房工艺需要冬季或过渡季提供冷水的场合。
冷却塔免费供冷系统工作原理
冷却塔的工作原理主要是利用水与空气流动接触后进行冷热交换,产生水蒸汽,水蒸汽蒸发吸热,从而达到降低水温的目的。
从冷却塔工作原理可以看出,冷却塔能将水温降低的原因在于水在蒸发过程中需要吸收热量从而使没有蒸发的水温度降低,水温降低的程度取决于蒸发水量,蒸发水量取决于空气的相对湿度。
冷却水在冷却塔内与空气接触进行热湿交换,只要湿球温度低于冷却水温度就能起冷却作用。随着过渡季及冬季的到来,室外气温逐渐下降,相对湿度降低,室外湿球温度也下降,冷却塔出水温度也随之降低。
应当注意的是对于冷却塔免费供冷系统来说,室外湿球温度并非越低越好。冷却塔的使用温度范围通常为5℃至50℃之间。在这个温度范围内,冷却塔可以正常运行,具有良好的散热效果。当室外湿球温度低于5℃时,冷却塔可能会因结冰而影响工作,此时需要对冷却塔进行再加热或采取其它防冻措施。
第一种:开式冷却塔直供冷水
冬季或过渡季,当室外环境湿球温度低至设计值时,从冷却塔来的冷却水直接进入冷水系统进行循环,包括进入空调系统的末端(如风机盘管、空调机组等)。从节能的角度看,这样的系统效果最好。
开式直接供冷系统需要将冷却水系统与冷水系统相连通,这样空气中被冷却塔冲洗下来的粉尘、污垢,与水混合成泥浆后进入冷水循环管路及空调末端盘管,会在空调末端换热器内表面附着一层污泥,使其换热效率大幅下降,甚至使管道阀门堵塞,尤其在北方浮尘天气较多的地区,这种情况更为严重。
一般通过采取对冷水加强过滤的措施(如增设微泡排气除污装置),来改善循环冷水的污染状况,但是效果有限。因此,这种方式在空气雾霾浮尘严重的地区不宜采用。
这种供冷方式要求冷却塔的安装高度高于冷水循环系统的最高点。
第二种:闭式冷却塔直接供冷
采用闭式冷却塔的闭式系统与开式直接供冷系统的相似之处在于它也是用从冷却塔供给的冷却水直接进行供冷。
不同的是它的冷却水系统是封闭的,冷却水未暴露在大气或灰尘中,这样就解决了堵塞污染问题。由于在闭式冷却塔内进行了空气-水换热,因此换热效率低,冷却塔的出水温度较高,同时由于闭式冷却塔造价较高,而且冷却塔的盘管还需要另外的防冻保护。
因此,除非夏季工况时制冷工艺上对闭式冷却塔有特殊要求,一般不会采用。
第三种:开式冷却塔加板式热交换器间接供冷
冷却水作为一次水,通过板式换热器对空调冷水系统进行间接降温。工程设计中可以将板式换热器当做“冷机”与冷水机组并联。由于冷却水系统和冷水系统是物理隔离的,从而避免了冷水系统被污染、腐蚀和堵塞问题。
开式冷却塔加板式热交换器免费供冷系统方安全可靠,是目前被采用最为广泛的方式。
开式冷却塔加板式热交换器间接供冷的循环泵设置有两种方式:当水泵与冷水机组一对一的连接方式时,供冷板式换热器建议单独配冷却水泵和冷水泵,这样在机房设计时管路系统清晰,水泵的大小可以独立选型,不受约束,运行管理方便;
当水泵与冷水机组是共用集管的连接方式时,供冷板式换热器的冷却水泵和冷水泵可与冷水机组的共用,这样可以节省水泵的投资。
冷却塔免费供冷系统设计要点
以下以最常用的第三种冷却塔免费冷系统为例:
空调免费冷系统中,末端风机盘管或空调机组及冷却塔一般是按照夏季供冷工况设计。因此,在冬季供冷时,就存在匹配的问题,在设计时需计算板换、冷水泵、冷却水泵、冷却塔开启的台数。
1、冷却水温差由室外湿球温度、冷却水量决定,水量越小温差越大。
冬季供冷房间的冷负荷一般会略小于夏季设计工况,采用同一个空调末端设备时,冷水温度可比夏季设计工况高1~2℃,在考虑换热器换热温差后,冷却塔供冷的设计冷水温度,可基本等同于夏季的空调冷水设计温度。为了防止运行过程中出现结冻情况,应采取措施,控制最低供水温度。
冷却塔供冷的供水温度尽量接近夏季供冷的温度,一般取6~7℃,供回水温差宜小于或等于4℃,供水温度的最低值宜控制在3℃以上。
板换温差取1~2℃,温差不能取得太小,避免板换面积过大;温差过大则免费冷供冷时间太短,自然冷源利用得不充分,建议取1.5℃。
因此供冷区域一般可供8℃回水13℃。
2、冷却塔供冷的冷水泵与用户侧空调冷水泵的参数,应根据供冷负荷的需求来确定;当参数合适时,可采用夏季冷却水泵和空调冷水泵; 如果冬季需要的冷水流量与冷却水泵或夏季空调冷水泵的参数差距较大,需另行设置冷却塔冬季冷水泵和空调水泵。
3、冷却水管应保温
冬季低于0℃时,为防止塔内水结冰,冷却塔应设置防冻措施。当室外温度低于0℃的连续时间超过2h,以及室内空调负荷较小而冷却塔供冷能力较大、排热量不足以使水温在运行过程中实时保持0℃以上时,也可能导致室外管道的结冰。
防冻措施一般可采用电热方式:冷却塔底盘内应设电加热管并与水位连锁,室外管道采用伴热电缆。
4、冷却塔免费供冷工况时流经冷却塔的流量不应大于冷却塔额定流量;为了防止气温过低时冷却塔冻结,不应小于冷却塔额定流量的50%。
5、冬季不使用的冷却塔和室外管道应泄空防冻。冷却水室内管线需保温,防止冬季供冷时结露。
6、供冷板式换热器选型时,应让其阻力接近冷水机组冷凝器的阻力,避免因冷却水管路阻力太小,冷却泵过载启动困难。
板式换热器体积小,换热能力强,能够最小限度地减小换热温差,板式换热器一般设置两台,每台均能分担65%~70%的冷负荷。
7、加强冷却水系统的除污过滤,如设置加药装置、设置旁滤装置或微泡排气除污装置,减轻冷却水对板式换热器性能的影响。
8、冷却塔的结冰特性
1)冷却塔一般在温度最低的进风口处和填料处最易发生冻结,对于不同类型的冷却塔,容易结冰的程度不同。
2)横流塔大面积填料暴露在进风处,且处于半干半湿状态相对易结冰。
3)轴流风机设在上部的引风式逆流塔:除小面积进风口处外,填料基本处于有一定流速的水流包围中,相对横流塔不易结冰。
4)离心风机设在下部的半封闭式鼓风式逆流塔:进风腔无水不会结冰;填料也基本处于有一定流速的水流包围中,也不易结冰。
综上所述,为了提高阀的使用寿命、稳定性、正常调节等工作性,调节阀应避免在小开度工作,通常应大于10%~15%。但对高压阀、双座阀、蝶阀、处于流闭状态的调节阀来说,应大于20%(线性阀)~30%(对数阀)。
2、当阀选大了或工艺条件变化时,调节阀经常在小开度下工作,此时如何加以解决?
①降低阀上压差ΔP。由方程式Q=C√ΔP/P可知,当ΔP减小时,Q也减小,为了保持通过调节阀的流量不变,就要增大阀的开度,这样可避免阀在小开度下工作。具体方法如下:
a、在阀后加限流孔板消耗一部分压降;
b、关闭管路上串联的手动阀,至调节阀获得较大理想的工作开度为止。
这两种办法都是增大管路上的压降,以减小阀上压降,因为系统总压降ΔP系统=阀上压降ΔP阀+管路压降ΔP管路。由于ΔP系统不变,当ΔP管路增大时,ΔP阀必然减小。
②缩小口径由Q=C√ΔP/P可知,C值减小,Q也减小,为保持通过阀的流量不变,就必然要加大开度,这样也可避免阀在小开度工作。C值与阀的口径DN、阀座直径dN有关。减小C值的办法是:
a、换一台小档口径的阀,如将DN32换成DN25;
b、阀体不变,换小档DN的阀芯阀座,如将DN10换成DN8。
当调节阀处于小开度工作时,可能会出现以下问题:
1. 易受堵塞: 在小开度下,流体流速较慢,容易使流体中的颗粒沉积在调节阀的流道中,导致阀门堵塞或卡死。
2. 流量控制不稳定: 在小开度情况下,调节阀的流量控制可能变得不够稳定,容易受到外部干扰或内部因素的影响,导致流量波动或不准确。
3. 闪蒸和振荡: 当流体在小开度情况下通过调节阀时,可能会出现闪蒸现象,从而导致流体压力和温度剧烈变化,还可能引起阀门振荡。
对策包括:
1. 选择合适的阀门类型: 对于需要在小开度下工作的情况,可以选择一些专门设计用于小流量的调节阀,如微调节阀,以减少堵塞的可能性。
2. 增加过滤器和网孔: 可以安装过滤器或者网孔,来防止颗粒物进入调节阀的流道,减少堵塞的风险。
3. 优化阀门的设计和材料: 设计合理、材料耐腐蚀的阀门结构,可以降低对于颗粒物堵塞的敏感度。
4. 增加阀门的承受范围: 结合调节阀和控制系统,可以增加阀门的承受范围,从而提高在小开度下的控制精度和稳定性。
5. 增强检修和维护: 定期检查并维护调节阀,及时清理管道和过滤器,可以减少堵塞的风险。
通过合理选择阀门类型,采取有效的防堵措施以及加强对调节阀的维护和保养,可以有效地解决调节阀在小开度工作时可能出现的问题。
免责声明:文章版权归原作者所有。如涉及作品内容、版权和其它问题,请跟我们联系删除!
2024 07-16
为什么调节阀不能在小开度下工作?
[list:subtitle]
1、为什么调节阀不能在小开度下工作?调节阀在小开度工作时存在着急剧的流阻、流速、压力等变化,会带来如下问题:①节流间隙最小,流速最大,冲刷最厉害,严重影响阀的使用寿命;②急剧的流速、压力变化,超过阀的刚度时,阀稳定性,甚至产生严重振荡;③对于流闭状态下工作的阀,会产生跳跃关闭或跳跃启动现象,调节型阀在
2024 07-08
PCW-工艺冷却水系统
[list:subtitle]
PCW(Process Cooling Water),工艺冷却水系统或制程冷却水系统。工作原理及用途(1)用途:用于冷却工艺设备,带走其产生的热量。(2)系统中冷冻水和冷却水是两个相对独立的系统,冷冻水由冷冻机提供,冷却水与冷冻水进行热交换,从而降低冷却水温度。工艺冷却水系统模式的选择工艺冷却水系统的
2024 07-01
蒸发温度与蒸发压力、冷凝温度与冷凝压力、过冷度与过热度,这次懂了吗?
[list:subtitle]
1、概念:蒸发温度就是制冷剂从液体变为气体的临界温度,在制冷系统中,指的是制冷剂液体在蒸发器中从液体变为气体的饱和温度,一般制冷系统中的蒸发温度是测不出来的,只能用对应的蒸发压力来推导。2、蒸发温度与蒸发压力关系:蒸发压力(低压)越低,蒸发温度也就越低;蒸发压力(低压)越高,蒸发温度也就越高。可
2024 06-24
带你了解吸附式干燥机
[list:subtitle]
一、定义:吸附式干燥机是一种常用于去除空气中湿气的设备,吸附式干燥机是利用吸附剂(活性氧化铝、硅胶、分子筛)吸附水分的特性来降低压缩空气中水分的含量,吸附式干燥机用于压力露点要求在零度(0℃)以下的场合。它能达到冷冻式干燥机远远不能达到的干燥效果。二、工作原理:其工作原理基于吸附剂的吸湿和再生过程。下面
2024 06-05
锂离子电池制片过程掉粉的分析与讨论
[list:subtitle]
极片掉粉目前钴酸锂的生产工艺,基本上不会掉粉,掉粉的可能性在生产过程中影响的因素有:1、配方比例不当,如粘接剂太少,容剂少致使搅拌不均匀。2、粘接剂烘烤温度过高,使粘接剂结构受到破坏,。3、浆料搅拌时间不够,没有完全搅拌开,4、涂布时温度太低,极片未烘干。5、涂布量不均匀,厚度差异太大。6、极片在辊
2024 05-27
冷凝温度、蒸发温度与吸气过热度:影响制冷效果的重要因素
[list:subtitle]
1、过热度过热度定义为低压侧制冷剂蒸汽与感温包内蒸汽间的温差。测量方法包括在尽量接近感温包位置测量蒸发压力并转换为温度值,然后用感温包实际检测到的温度减去该转换温度,理想的过热度一般维持在5至8摄氏度。2、过冷度过冷度则是冷凝过程中的一个重要概念,它表示的是冷凝器中冷凝压力对应的饱和液体温度与冷凝器出口
2024 05-20
什么是冷却塔免费供冷?空调免费冷系统如何设计选择?一次讲清楚
[list:subtitle]
什么是冷却塔免费冷系统冷却塔免费供冷就是在常规水冷空调系统中通过增加旁通管路、板式换热器等设备,在室外湿球温度低于某个值以下时,关闭制冷主机,利用流经冷却塔的冷却水直接或通过板式换热器间接向空调末端供冷,承担建筑所需的冷负荷。 冷却塔免费供冷能够利用自然冷源,满
2024 05-13
转轮热回收和除湿应用
[list:subtitle]
2024 05-04
工艺冷却水系统(PCW)介绍
[list:subtitle]
1序言冷却水系统的应用非常广泛,涉及各类工业生产活动,包括半导体、微电子、火电厂中汽轮机排气冷凝、大型中央空调、煤化工、石化厂、天然气管道降温等。工艺冷却水系统主要用于泛半导体、微电子等行业中关键制程设备的间接冷却。分为开式系统和闭式系统。本篇就工艺冷却水系统构成及部件作用、工作原理及用途、系统控制及
2023 03-27
空调箱,你了解吗?
[list:subtitle]
空调箱也称组合式空调机组,是一种专门用于处理空气的设备,有对空气的降温冷却、去湿干燥、加热加湿、过滤净化、送风回风及引入新风等功能。主要用于工业、医药卫生、大、中型建筑物,如宾馆饭店、豪华商业设施、体育娱乐中心等场所。 空调箱分类:按结构形式分类:a)卧式;b
2023 03-07
你了解冷却塔吗?
[list:subtitle]
冷却塔是利用空气同水的接触(直接或间接)来冷却水的设备。
2023 03-07
这,就是离心式压缩机!
[list:subtitle]
作为制冷人,对于离心式压缩机我们并不陌生。但关于离心式压缩机的全方位知识,我们真的都了解吗?不一定。今天我们就来一起重新认识一下离心式压缩机!